Citizen CL-S700
1、Citizen CL-S700條碼打印機各部位介紹
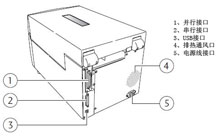
1.1 上蓋/操作面板/上蓋窗/色帶驅動單元/電源開關

①上蓋
將其垂直打開可放入紙或色帶
②操作面板
用于對打印機及其配置進行改變和調節
③上蓋窗
通過此窗可檢查剩余的色帶和紙量
④色帶驅動單元
⑤電源開關
打印機的電源開關
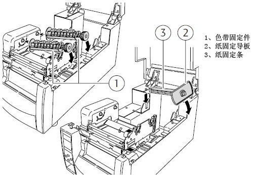
1.2 色帶固定件/紙固定導板/紙固定條

①色帶固定件
用于安裝色帶和紙芯
②紙固定導板
水平移動此導板以吻合紙的尺寸,導板可從固定條上推下
③紙固定條
紙在安裝進打印機中后由紙固定條支撐
1.3 紙厚度調節撥盤/紙寬度調節指示器/紙寬度調節撥盤/紙厚度調節指示器/打印頭開桿/傳感器臂開桿

①紙厚度調節撥盤
調節撥盤以吻合紙的厚度
②紙寬度調節指示器
③紙寬度調節撥盤
調節撥盤以吻合紙的寬度
④紙厚度調節指示器
⑤打印頭開桿
推此桿可抬起打印頭以安裝紙,在打印期間,其可鎖定打印頭
⑥傳感器臂開桿
推此桿可抬起傳感器臂以安裝紙
1.4 熱敏打印頭/傳感器臂/可調節(后)傳感器/固定紙傳感器/左紙導板/右可移動紙導板/卷軸/可調節傳感器位置撥盤

①熱敏打印頭
避免用手指觸摸打印頭,以及在打印頭表面上留下油脂或污垢
②傳感器臂
抬起此臂可安裝紙,放下此臂可將紙固定到位
③可調節(后)傳感器
檢測標簽或吊牌的位置,本傳感器默認“開啟”為狀態
④固定紙傳感器
檢測標簽或吊牌位置的替代方式。本傳感器能夠更精確地測試小的標簽,因為它離打印頭更近,它默認為“關閉”狀態
⑤左紙導板
這是打印機的一個固定部分,從打印機的角度來看,紙的左側應與本紙導板吻合。
⑥右可移動紙導板
滑動右紙導板,使其與紙接觸,應該“引導”紙通過打印機,請勿固定的太緊,否則會卡紙
⑦卷軸
與熱敏打印頭互鎖,向后或向前輸送紙
⑧可調節傳感器位置撥盤
用于改變可調節紙傳感器相對于紙的從左至右位置。
1.5 液晶屏/電源指示燈/故障指示燈/FEED(送紙)鍵/PAUSE(暫停)鍵/STOP(停止)鍵/MENU(菜單)鍵

①液晶屏
顯示打印機的操作狀態
②電源指示燈
打印機電源接通時亮起(綠色)
③故障指示燈
打印機處于警告或故障狀態時此燈會亮起或閃爍(橙色)
④FEED(送紙)鍵
按此鍵可將紙輸送到下一個標簽或表格的頂部
⑤PAUSE(暫停)鍵
此按鍵可暫停打印
⑥STOP(停止)鍵
按此鍵可停止打印或取消警告
⑦MENU(菜單)鍵
在常規操作模式下,按此鍵可進入菜單配置模式,如果愿意,可進行配置以重新打印最后一張標簽。
1.6 并行接口/串行接口/USB接口/排熱通風口/電源線接口

①并行接口
此接口從電腦主機接收并行傳送的數據
②串行接口
此接口從電腦主機接收串行傳送的數據
③USB接口
此接口從電腦主機接收USB傳送的數據
④排熱通風口
它使暖空氣從打印機中排出,切勿讓紙等物堵塞通風口
⑤電源線接口
封裝電源線的連接器連接至此
2、Citizen CL-S700條碼打印機操作
2.1 常規操作模式
2.1.1 當電源接通時,打印機進入常規操作模式,控制鍵可激活以下功能:
①PAUSE(暫停)鍵:暫停打印
●按此鍵一次,指示燈顯示“暫!,同時打印機暫停打印。
●如果在打印期間按此鍵,打印機會在打印完當前打印的標簽后暫停,再按此鍵一次,打印機重新開始打印,將剩余的指定標簽打印完。
②FEED(送紙)鍵:輸送紙
●按此鍵可將紙輸送至打印開始位置。使用標簽紙時,通過自動檢測紙的前端來決定送紙的距離,而當已指定好連續的紙時,則會輸送固定量的紙,然后輸送便停止。
●當TEAR OFF(撕離)設定生效時,送紙會在紙已被輸送至撕紙位置之后停止。
●當安裝了選購切刀單元的情況下,紙會被輸送到切割位置,然后進行切割。不管設定菜單中是否有切紙操作設定,只要安裝了切紙單元,每次輸送紙時就會切割紙。
●如果安裝了選購的剝紙單元,紙便會被輸送至剝紙位置,當紙在剝離位置暫停時,即使按送紙鍵也無法進行送紙。
③STOP(停止)鍵:此鍵可停止打印或取消警告
在打印期間按此鍵一次,打印機在打印完標簽后便會處于暫停模式下,在暫停狀態下按停止鍵4秒或更長時間有可能可以取消一批的標簽打印數據。(取消期間印刷指示燈會高速閃爍。)
④MENU(菜單)鍵
在常規模式下模式下,按此鍵可進入菜單配置模式,如果愿意,可進行配置以重新打印最后一張標簽。
2.1.2 指示燈功能
①POWER(電源)指示燈
打印機電源接通時此燈亮起(綠色)
②ERROR(故障)指示燈
打印機處于故障狀態時此燈會亮起或閃爍。(橙色)
2.1.3 警告和故障指示表
除常規操作模式之外,當檢測到打印機中有異常情況時,警告會鳴響并且故障指示燈會亮起或閃爍,以指示故障的類型。液晶屏顯示故障信息。
項目 |
故障指示燈 |
液晶屏 |
可以打。o故障) |
關閉 |
On Line |
當按下操作面板上的STOP或PAUSE鍵時 |
關閉 |
PAUSE |
打印頭溫度,異常高溫 |
閃爍 |
Alarm Head Hot |
打印頭溫度,異常低溫 |
閃爍 |
Error Head cold |
PF電動機溫度異常 |
閃爍 |
Alarm PFMotor Hot |
風扇電動機故障 |
閃爍 |
Error Fan Lock |
切紙器電動機溫度異常 |
閃爍 |
Alarm Cutter Hot |
打印頭打開 |
閃爍 |
Error Head Open |
紙用完 |
閃爍 |
Error Paper End |
紙脫出(無法檢測到紙的位置) |
閃爍 |
Error Paper Load |
卡紙 |
閃爍 |
Error Paper Jam |
打印頭低電阻異常 |
閃爍 |
Alarm Head Check |
色帶用完 |
閃爍 |
Error Ribbon End |
通信故障(接收緩沖區溢出) |
閃爍 |
Serial Over Run |
通信故障(奇偶校驗) |
閃爍 |
Error Serial Parity |
通信故障(成幀) |
閃爍 |
Error Framing |
上蓋打開 |
閃爍 |
Error Cover Open |
自動切紙器異常(異物等) |
閃爍 |
Error Cutter Fail |
2.2 設定紙
2.2.1 紙尺寸
透明傳感器或發射傳感器可以感受到標簽和吊牌紙的位置。
透過傳感器:檢測標簽紙與吊牌紙的齒之間的間隙。
反射傳感器:檢測黑色標記。

2.2.1.1 使用前傳感器時
|
|
最小值 |
最大值 |
A |
標簽寬度 |
7.62mm |
118mm |
B |
襯紙寬度 |
25.4mm |
118mm |
C |
標簽左邊緣位置 |
0mm |
2.54mm |
D |
標簽之間間隙的長度 |
2.54mm |
812.8mm |
E |
標簽長度 |
6.35mm |
812.8mm |
F |
標簽間距 |
6.35mm |
812.8mm |
G |
襯紙厚度 |
0.06mm |
0.125mm |
H |
總紙厚度 |
0.06mm |
0.25mm |
I |
齒右邊緣的位置 |
8.3mm |
11mm |
J |
齒左邊緣的位置 |
0mm |
4.7mm |
K |
齒的長度 |
2.54mm |
17.8mm |
L |
黑色標記的右邊緣 |
15mm |
-- |
M |
黑色標記的左邊緣 |
0mm |
1.5mm |
N |
黑色標記的寬度 |
3.18mm |
17.8mm |
如果標簽間距小于或等于25.4mm,請將Small Media Adjustment(小紙調節菜單)設為開,然后將其與使用小紙長度菜單的值的標簽吻合。
2.2.1.1 使用可調節傳感器時
|
|
最小值 |
最大值 |
A |
標簽寬度 |
25.24mm |
118mm |
B |
襯紙寬度 |
25.24mm |
118mm |
C |
標簽左邊緣位置 |
0mm |
2.54mm |
D |
標簽之間間隙的長度 |
2.54mm |
812.8mm |
E |
標簽長度 |
12.7mm |
812.8mm |
F |
標簽間距 |
12.7mm |
812.8mm |
G |
襯紙厚度 |
0.05mm |
0.125mm |
H |
總紙厚度 |
0.05mm |
0.25mm |
I |
齒右邊緣的位置 |
3.6mm |
60.8mm |
J |
齒左邊緣的位置 |
0mm |
57.2mm |
K |
齒的長度 |
2.54mm |
17.8mm |
L |
黑色標記的右邊緣 |
15mm |
66.5mm |
M |
黑色標記的左邊緣 |
0mm |
51.5mm |
N |
黑色標記的寬度 |
3.18mm |
17.8mm |
如果標簽間距小于或等于25.4mm,請將Small Media Adjustment(小紙調節菜單)設為開,然后將其與使用小紙長度菜單的值的標簽吻合。
2.2.2 安裝紙
①推大藍頭開桿松開藍頭單元,然后如下圖所示用手抬起傳感器臂。

②首先,一并滑動紙固定件總成的兩個黑色塑料零件,因為固定條只可朝一個方向安裝,因此請確保導板與固定條正確對齊。
③在紙條上滑動紙卷,紙導板必須位于紙卷的右側(從打印機的正面看),使紙導板的平坦表面接觸紙卷。
④將紙卷和紙固定件裝入打印機中,建議向前拉出一段紙并穿過機構,以備以后進行定位。
⑤移動紙卷使其接觸外殼的左側,然后滑動黑色紙導板,使其與紙右側接觸。請勿用這些導板將紙夾得太緊,否則會導致打印期間打印機卡紙。
⑥將紙與左固定紙導板(2個位置)對齊,將右可移動紙導板與紙的寬度對齊,然后放下松散地夾住紙的傳感器臂。

⑦將打印頭降低至關閉位置,用力按打印頭關閉按鈕鎖定打印頭,只有當聽到“喀噠”一聲,打印頭才被正確鎖定,將其與已放置的紙的寬對齊,然后再設定紙寬度和紙厚度調節撥盤。
⑧在電源打開的情況下,按送紙鍵輸送紙。其將在下個打印開始位置停止。
2.3 設定色帶
可使用以下種類和尺寸的色帶。
類型---------------------------------內卷色帶或外卷色帶
推薦色帶-----------------------------US150 聯合出品
色帶最大寬度-------------------------114mm
色帶最小寬度-------------------------25.4mm
色帶最大長度-------------------------450mm
卷筒最大直徑-------------------------86.5mm
紙芯內卷-----------------------------25.4mm
2.3.1 設定方法
①檢查所使用的色帶種類,然后設定色帶卷向選擇開關
②將色帶和紙芯分別置于兩個色帶固定件上,將兩個色帶固定件分別插入色帶和紙芯中時,請確保將其推到底。
③將新的色帶以及固定件裝入后色帶驅動單元。使色帶驅動齒輪結構上的花鍵與色帶固定件上的尾端吻合。
④推動大藍頭開桿松開藍頭單元,從藍頭單元底部拉出色帶至色帶卷動側。
⑤使用膠帶將拉出的色帶粘于已安裝有紙芯的色帶固定件上,然后將色帶纏繞在色帶固定件上。
⑥將已安裝好紙芯的色帶固定件安裝進色帶驅動單元,然后按箭頭所示方向轉動色帶固定件以張緊色帶及消除褶皺。
⑦按藍頭關閉按鈕以降低并鎖定藍頭單元,請務必始終通過按藍頭關閉按鈕鎖定藍頭單元。如果色帶上有褶皺,請按送紙鍵直到褶皺消失,如果褶皺不消失或者色帶打滑,請進行色帶平衡調節和色帶張力調節。
2.4 模式設定
結合不同的按鍵打開電源可啟動不同的功能
2.4.1 十六進制打印模式
①使用標簽紙時
按住STOP鍵的同時打開打印機電源,當電源指示燈亮起并且液晶顯示屏顯示“Hex Dump Mode”和“Label Media”時松開STOP鍵,隨后打印機進入十六進制打印模式。
②使用連續紙時
按住STOP鍵的同時打開打印機電源,當電源指示燈亮起并且液晶顯示屏顯示“Hex Dump Mode”和“Label Media”,之后更換為“Hex Dump Mode”和“Cont.Media”松開STOP鍵,隨后打印機進入十六進制打印模式。
2.4.2 自打印模式
進行自測打印是檢查打印機設定狀態和打印質量的便利方法。
①標簽紙的情況
按住FEED鍵的同時打開打印機電源,當液晶屏顯示“Self Print Mode”和“Label Media”時,松開FEED鍵,在打印機進入測試模式并且已輸送完紙后,會打印出兩張標簽,隨后打印停止。要重新開始打印,再按一次送紙鍵即可。
②連續紙的情況
按住FEED鍵的同時打開打印機電源,當液晶屏顯示“Self Print Mode”和“Label Media”,之后改變為“Self Print Mode”和“Cont.Media”時,松開FEED鍵,在打印機進入測試模式并且已輸送完紙后,會打印出兩張標簽,隨后打印停止。要重新開始打印,再按一次送紙鍵即可。

2.4.3 菜單設定模式
如果在打印機處于聯機就緒狀態下按MENU鍵,打印機會進入菜單設定模式,在該模式下,可以用操作面板改變打印機的配置,當處于菜單設定模式下時,液晶顯示屏顯示當前菜單設定和各鍵功能

2.4.3.1 各鍵的功能
當您進入Menu Setup Mode(菜單設定模式)后,液晶屏會在首行顯示Main Menu(主菜單),并在下方顯示Page Setup(頁面設定)。
在菜單設定模式下,四個鍵成為在菜單中導航的“光標鍵”,參考鍵盤中央的四個小箭頭,而不是鍵的名稱。
●FEED鍵(切換/改變)
按此鈕會移至上一菜單系統或選擇上位值。
●MENU鍵(切換/改變)
按此鍵會移至下一菜單系統或選擇下位值。
●STOP鍵(進入/保存)
按此鍵會選擇或保存項目或進入菜單。
●PAUSE鍵(退出)
按此鍵退出當前項目(返回)并最終退出菜單系統。
菜單設定臨時存儲于打印機的存儲器內,當您退出菜單系統,并在遇到“Save Setting(保存設定)”問題選擇“Yes”時,它們才被永久保存。
小心:當打印機在執行“保存設定”功能時關閉電源將導致保存錯誤,此時請勿關閉打印機電源,否則會導致故障。如果意外關閉電源,請先將打印機重設為出廠默認設定。
2.4.3.2 改變菜單的范例
這是在主菜單是Page Setup(頁面設定)且子菜單是Print Darkness(打印濃度)的情況下,把打印濃度設定值從12改變為14的方法介紹。
①進入菜單設定模式
確保液晶屏顯示On Line Ready(聯機就緒),然后按菜單鍵進入menu setup mode(菜單設定模式)以修改或確認打印機設定。


②進入子菜單
按右箭頭鍵,將顯示當前設定項目Print Speed(打印速度)。
③從子菜單選擇Print Darkness(打印濃度)
按一次▼鍵會顯示Print Darkness(打印濃度)。這是Page Setup內的第二項。
④顯示Print Darkness(打印濃度)的設定值。
按右箭頭鍵將顯示當前的設定12。
⑤把打印濃度值改變為14。
按▲鍵2次會在屏幕上顯示14,然后按?鍵將該值臨時保存到打印機的RAM中。
⑥保存設定更改。
除非保存設定,否則更改內容在關閉打印機時會丟失。
按左箭頭鍵2次顯示Save Settings No-Discard(保存設定 否-放棄),按▲鍵或者▼鍵顯示Save Settings Yes-Save(保存設定 是-保存),按右箭頭鍵保存新設定且打印機會返回On Line Ready(聯機就緒)。
2.4.3.3 設定內容打印
您可以通過兩種方式獲得配置設定的列表:
◆打開打印機的同時按菜單鍵,電源指示燈閃爍,液晶屏上顯示Print Settings,打印后,打印機會進入菜單設定模式。
◆您可以從設定菜單的Test Mode,Print Pattern,Current Config進入配置打印。
2.4.3.4 全局配置設定
打印機可以存儲三套能夠快速、輕易調用餓配置設定。
每套Config Set(配置設定)(1、2或3)可以包含所有菜單參數的完全不同的配置設定,例如,可將Config Set1配置為5ips打印速度,熱轉印標簽,打印濃度18。
隨后的Config Set2,可以是8ips帶有黑色標記的連續紙,打印濃度12。
對于定期打印不同類型紙張的人,例如標簽打印局而言,擁有三套設定將很有幫助。
可以通過Test Menu,Print Pattern,Global Config菜單選項來打印全局配置設定,它也會顯示當前活動的Config Set。
2.4.3.5 菜單設置表
Page Setup Menu(頁設定菜單)——讓您能改變與紙或打印質量有關的設定
System Setup Menu(系統設定菜單)——讓您能改變打印機硬件和基本控制系統的設定
After Print Menu(打印后菜單)——改變打印完標簽后打印機的反應
Interfaces(接口菜單)——改變諸如波特率的接口參數
Machine Information,Test Mode(機器信息,測試模式)——讓您能夠檢查或打印測試頁和與打印機有關的信息。
Global Config menu(全局配置菜單)——讓您能夠在打印機包含的3套完整的Config Sets之間切換。
頂層菜單 |
子菜單 |
默認值 |
菜單 |
備注 |
Page Setup(頁設定) |
Print Speed(打印速度) |
7IPS |
2 to 10 IPS |
打印速度設定 |
Print Darkness(打印濃度) |
12 |
00 to 30 |
調節打印濃度 |
Darkness Adj(濃度調節) |
0 |
-10 to 10 |
濃度微調指令 |
Print method(打印方法) |
TT |
TT,DT |
選擇熱轉印/熱敏 |
Cont Media Len(連續紙長度) |
101.6mm |
6.4mm to 812.8mm |
設定連續紙的長度 |
Vertical Pos(垂直位置) |
0mm |
-25.4mm to 25.4mm |
打印開始位置調節 |
Horizontal Shif(水平偏移) |
0mm |
-25.4mm to 25.4mm |
水平圖像位置調節 |
Vertical Image(垂直圖像偏移) |
0mm |
0mm to 812.8mm |
在將數據映射到RAM中時垂直位置的位移值調節 |
Sensor Select(傳感器選擇) |
Rear Adj Sensor |
Rear Adj Sensor,Front Fixed Sen |
選擇后可移動傳感器/前固定傳感器 |
Media Sensor(紙傳感器) |
See Through |
See Through,Reflect,None |
標簽傳感器選擇 |
Small Media Adj(小紙調節) |
OFF |
ON,OFF |
小標簽設定 |
Small Media Len(小紙長度) |
25.4mm |
6.4mm to 25.4mm |
設定小標簽的長度 |
Symbol Set(符號設定) |
PM |
50 symbol |
設定符號設定 |
System Setup(系統設定) |
Sensor Level(傳感器級別) |
1.4V |
0V to 3.3V |
設定傳感器的臨界值 |
Sensor Monitor(傳感器監控器) |
- |
- |
顯示當前選擇的傳感器級別 |
Paper End Level(紙用完級別) |
2.8V |
0.01V to 3.00V |
設定紙用完級別 |
Error Report(故障報告) |
On Printing |
On Printing Immediate |
設定故障報告 |
Cover Sensor(上蓋打開傳感器) |
OFF |
ON,OFF |
設定上蓋打開傳感器 |
Buzzer Select(蜂鳴器選擇) |
Exec/Err |
Exec/Err,All,Error,Key,None |
設定蜂鳴器鳴響的條件 |
Metric/inch(米/英寸) |
inch |
inch,mm |
設定所使用的單元 |
Max Media Length(紙最大長度) |
254mm |
25.4mm to 1270mm |
設定標簽最大長度 |
Settings Lock(設定鎖定) |
off |
on/off |
當開時,能防止軟件指令改變設定值 |
Keyboard Lock(鍵盤鎖定) |
off |
on/off |
防止通過鍵操作改變。說明:在設定“開”菜單時,按住菜單鍵并至少保持4秒以進入菜單設定模式 |
Control Code(控制碼) |
STD |
STD/ALT |
切換DMX模式的指令模式 |
Emulation Sel(模擬器選擇) |
DM4 |
DM1,DM4,DPP,ZPI2 |
選擇Datamax/zebra兼容性 |
Emulation Auto(模擬器自動探測) |
ON |
ON/OFF |
設定模擬器自動探測 |
After Print(打印后) |
Cutter Type(切紙機類型) |
Standard |
Standard/Heavy Duty |
設定切紙機類型 |
Auto Config(自動配置) |
ON |
ON/OFF |
自動配置選購設備;開:自動配置失效(如果安裝了剝離單元或自動切紙器,不管是否設定了“功能選擇”,各模式都會自動進行設定。);關:自動配置無效(如果安裝了剝紙單元或自動切紙器,但不需要啟動,可關閉它并由“功能選擇”選擇操作。) |
Function Sel(功能選擇) |
Tear |
off/Tear/Peel On/Cut On |
當“自動配置”設定為關閉時選擇操作。根據每個選項指定紙的位置。當選擇后本裝置的操作失效,同時,為每個選購裝置模擬Prodigy Plus的f指令的參數。 |
Cutter Action(切紙機動作) |
Backfeed |
Backfeed/Through |
設定切紙機動作,可選“自動配置”設定為開時,只有當安裝了切紙機或通過“功能選擇”選擇了切紙時,才執行打印。通常設定切紙后回撤。如果份數等于n,則第1張至n-1張的后端會通過,而最后一頁(單張紙)的后端則被打印并回撤。 |
Peel Wait Delay(剝離等待延時) |
0.1sec |
0.1 to 2.0 sec |
設置剝紙等待延時,僅顯示安裝剝紙器的機器 |
Paper Position(紙張位置) |
0mm |
Peel/cut/Tear off:0mm-50.8mm;Peel/cut/tear on:-25.4mm-25.4mm |
調節停止位置,它基于英寸/毫米設定,每個裝置有預設的停止位置的初始值,之后設定相對值。 |
Menu Key Action(菜單鍵動作) |
Enters Menu |
Enters Menu,Repeat LabelSet,Repeat Last One |
設定菜單鍵動作。進入菜單:進入菜單設定模式;重復最后一組:重新發放多個標簽;重復最后一張:只發放最后一頁的最后一張;說明:在設定Repeat LabelSet或Repeat Last One菜單時,按住菜單鍵并至少保持4秒以進入菜單設定模式。 |
Interfaces(接口) |
RS-232 Baud(波特率) |
9600 |
115200/57600/38400/19200/9600/4800/2400 |
設置串行接口的波特率 |
RS-232C Parity(奇偶校驗) |
None |
None,ODD,Even |
設置串行接口的通信奇偶校驗 |
RS-232C Length(數據長度) |
8 |
7/8 |
設置串行接口的字符長度 |
RS-232C Stop bit(暫停位) |
1 |
1/2 |
設置串行接口的停止位 |
RS-232C X-ON |
Yes |
Yes,No |
選擇串行接口的X-ON流控制 |
IEEE1284 |
ON |
ON,OFF |
啟用或停用IEEE1284并行接口的“增強”功能 |
USB Device Clas(USB設備類別) |
Printer |
Printer/VCOM |
選擇USB設備類別 |
VCOM Protocol(USB VCOM協議) |
Auto |
Auto/DTR/X-ON |
選擇在使用USB VCOM時的協議(流控制) |
Machine Info(機器信息) |
Model Number(型號) |
- |
CL-S700 |
顯示型號名稱 |
Boot Version(啟動版本) |
- |
*.* |
顯示啟動版本 |
ROM Version(ROM版本) |
- |
******* |
顯示ROM版本 |
ROM Date(ROM日期) |
- |
**/**/** |
顯示ROM的準備日期 |
ROM CheckSum(ROM檢查和) |
- |
**** |
顯示ROM的檢查和 |
Head Check(打印頭檢查) |
- |
OK,NG |
顯示打印頭檢查的結果 |
Print Counter(打印計數器) |
- |
***.***Km |
顯示打印機計數器 |
Service Counter(維修計數器) |
- |
***.***Km |
顯示維修計數器 |
Sensor Monitor(傳感器監控器) |
- |
*.*V |
顯示傳感器等級 |
Option I/F(可選接口) |
- |
None/LAN |
顯示可選接口的存在/缺失 |
Test Mode(測試模式) |
Print Pattern(打印方式) |
Current Config |
Current Config/Global Config/Sample |
執行測試方式 |
Head Check(打印頭檢查) |
No |
Yes/No |
執行打印頭檢查 |
Factory Default(出廠默認) |
No |
Yes/No |
將設定值初始化為裝置出廠時的狀態 |
Hex Dump(十六進制傾印) |
No |
Yes/No |
設定十六進制傾印模式 |
Serial Monitor(串行監控器) |
- |
- |
顯示串行接口的狀態 |
Auto Cal(自動校準) |
See Through |
See Through,Reflect |
執行傳感器的校準 |
Sensor Monitor(傳感器監控器) |
See Through |
See Through,Reflect |
顯示傳感器的級別 |
Global Config(全局配置) |
- |
Config Set1 |
Config Set1,Config Set2,Config Set3 |
設定配置設定 |
說明:如需恢復出廠默認設定,開啟打印機電源同時按下菜單和暫停鍵,然后依次按送紙鍵和停止鍵。
2.4.4 快速設定打印方法
除了使用菜單設定模式,還可用操作面板設定打印方法(熱轉印/熱敏)。
小心:在改變設定之前,請務必關閉打印操作,您無法在打印期間(包括暫停期間)改變設定。
按住MENU鍵,每按一次暫停鍵,打印機會在熱轉印方法和熱敏方法之間切換。
2.4.5 模擬器自動探測
通常,模擬器切換操作在菜單設定模式中執行,但是也可使用模擬器自動探測功能執行切換
3、Citizen CL-S700條碼打印機調節
3.1 傳感器調節和校準
透過傳感器和反射傳感器的傳感級別都是分別單獨進行調節的,首選,請使用如下所示的傳感器方法選擇來選擇傳感器的類型,然后可以對傳感器進行調節和校準。
從主菜單中Page Setup(頁設定)的子菜單中的可調節傳感器,選擇前傳感器或后可調節傳感器。可調節后傳感器設為工廠默認。
3.1.1 進入Sensor Adjustment Mode(傳感器調節模式)
①在同時按住PAUSE鍵、FEED鍵和STOP鍵的情況下,再打開電源。
②在Sensor Cal Mode(傳感器校準模式)指示燈亮起之后,松開各鍵將打印機模式改為傳感器調節設定模式。
要從透過傳感器切換到反射傳感器,按住MENU鍵的同時按STOP鍵,每按一次STOP鍵,便可在兩種傳感器類型之間來回切換。如果選擇的是透過傳感器,會顯示See Through(透過),并且蜂鳴器會鳴響一次,如果選擇的是反射傳感器,會顯示Reflect(反射),并且蜂鳴器會鳴響兩次。
3.1.2 調節透過傳感器
Ⅰ.選擇透過傳感器
Ⅱ.僅安裝標簽紙已剝除的襯墊紙(標簽襯紙),使其能從卷軸和紙傳感器之間通過。(注意確保帶黑色標記的紙不會通過紙傳感器),然后關閉傳感器臂和打印頭。
Ⅲ.如果在持續按住MENU鍵的同時按下PAUSE鍵并松開,則自動調節傳感器。
Ⅳ.如果自動調節正常停止,液晶屏上會顯示Succeeded(成功),如果其有異常停止(無法進行調節),故障指示燈閃爍,并且液晶屏上顯示Failed(失。
Ⅴ.如果按STOP鍵,則打印機完成傳感器調節,并且打印機將重啟。
3.1.3 調節反射傳感器
Ⅰ.選擇反射傳感器。
Ⅱ.在選擇反射傳感器的情況下,將標簽紙安裝在卷軸和紙傳感器之間。注意確保黑色標記和紙間隙不會通過紙傳感器。然后關閉傳感器臂和打印頭。
Ⅲ.如果在持續按住MENU鍵的同時按下PAUSE鍵并松開,則自動調節傳感器。
Ⅳ.如果自動調節正常停止,液晶屏上會顯示Succeeded(成功),如果其有異常停止(無法進行調節),故障指示燈閃爍,并且液晶屏上顯示Failed(失敗)。
Ⅴ.如果按STOP鍵,則打印機完成傳感器調節,并且打印機將重啟。
3.2 紙厚度調節
本機在出廠時已經設定了使用推薦的標簽時的正確打印質量要求。如果因為使用不同類型的紙而使打印質量變差,則以下列方式調節打印頭位置。

■使用標準標簽紙、高品質紙或熱敏紙時:
①從紙厚度觀察窗觀察,通過用螺絲刀旋轉紙厚度調節撥盤來重新設定打印頭的偏移量。使它回到中心線(三條線的中間)。然后用螺絲刀逆時針旋轉紙厚度調節撥盤二至四次。(出廠設定:兩圈)
②通過檢查自檢打印進行微調。
■使用較厚紙(標簽或其它紙):
①從紙厚度觀察窗觀察,通過用螺絲刀旋轉紙厚度調節撥盤來重新設定打印頭的偏移量。使它回到中心線(三條線的中間)。
②然后用螺絲刀順時針旋轉紙厚度調節撥盤二至四次。
③通過檢查自檢打印進行微調。

3.3 紙寬度調節
打印機在出廠時已經設定的紙寬度值:112mm,當您使用較窄的紙時,打印頭壓力如下:

①從上部結構中的檢查窗觀察,旋轉紙寬度調節撥盤將標記(白色塑料的左端)與紙吻合。(打印頭必須關閉)
②通過檢查自檢打印進行微調。
●當右側的打印較淡時:
通過順時針旋轉紙寬度調節撥盤,將標記(白色)向右移動。
●當左側的打印較淡時:
通過逆時針旋轉紙寬度調節撥盤,將標記(白色)向左移動。

3.4 調節色帶
本打印機的色帶張力已經針對推薦的色帶和紙張調節好,對其它類型的紙也有很好的兼容性。但是,由于色帶和紙的糟糕組合,有可能會打滑,即使色帶未用完,您也可能看到Ribbon End(色帶用完)信息。使用窄色帶、尤其是寬度在50mm以內的色帶時,很容易發生這種情況。
為解決這一問題并獲得最佳打印狀態,以下列方式進行調節(應當在上一頁的打印頭壓力調節完成之后執行本步驟):
3.4.1 調節位置

3.4.2 調節方法
①常規色帶和紙
出廠設定:纏繞和送紙部分的兩個標記都被設定為STANDARD(標準),以獲取針對推薦的色帶和紙張的最佳打印狀態。

②易于打滑的色帶和紙張
如果顯示Ribbon Out(色帶脫出),通過旋轉調節旋鈕將送紙部分的標記設定為LOW(低)
③尤其易于打滑的色帶和紙張
如果執行第2步之后仍然顯示Ribbon Out(色帶脫出)信息,則通過旋轉調節旋鈕將送紙部分的標記設定為SUPERLOW(超低)。
④打印時色帶斷裂
如果使用較窄的色帶且打印頭溫度太高,則色帶可能會斷裂,在這種情況下,通過旋轉調節旋鈕和調節撥盤,把送紙部分的標記設定為SUPERLOW(超低),并把纏繞部分的標記設定為LOW(低)
3.5 移動可調節傳感器
用上導軌上的標尺,先測量您所需的檢查位置,通過旋轉調節旋鈕,將可調節傳感器移動至所需的檢測位置,將可調節傳感器頂部的黃色標記與顯示所需檢測位置的標尺對齊會很有幫助。

3.6 打印機清潔
用隨機附帶的打印頭清潔筆(打印頭清潔器)清除打印頭上積聚的任何異物,例如紙灰塵、污垢和黏性物質,然后再使用蘸取酒精的軟布擦拭卷軸等。
長期在熱敏紙上進行打印之后,熱敏打印頭的清潔工作尤為重要,這樣能保證打印質量并能延長熱敏打印頭的使用壽命。
4、Citizen CL-S700條碼打印機故障排除
如果打印機在操作期間出現故障,請參考下表中的解決方法。如果這樣還是無法解決問題,請向敏用數碼進行咨詢。
指示 |
檢查 |
解決方法 |
接通打印機電源后指示燈不亮 |
電源線插頭是否正確插入電源插座中? |
將電源線插頭正確插入電源插座中 |
電源線的連接器是否正確插入打印機電源插口中? |
將電源線的連接器正確插入打印機電源插口中 |
電源線是否損壞? |
更換電源線 |
打印機所連接的插座是否已通電? |
檢查以確定插座已通電。 |
大樓保險絲盒中的總保險絲是否燒壞? |
如果必要,請更換大樓保險絲盒中的總保險絲 |
雖然進行送紙,但卻沒有打印內容 |
熱敏打印頭是否有污垢?是否有標簽粘附在打印頭上? |
如果打印頭上有污垢,請用附帶的打印頭清潔器將污垢清除。如果有標簽粘附在熱敏打印頭上,請將其清除。請勿使用金屬物件來清除粘附在打印機內的標簽(否則會損壞熱敏打印頭) |
是否使用了推薦的色帶或相同類型的色帶? |
使用敏用推薦的色帶或相同類型的色帶 |
打印機打印不整潔 |
紙和色帶設定是否正確? |
正確設定紙和色帶 |
打印密度是否過高或過低? |
透過菜單或控制軟件設定適當的打印密度 |
卷軸上是否有污垢?是否變形? |
如果卷軸上有污垢,請用酒精進行清潔,如果變形,請將其更換 |
熱敏打印頭是否有污垢?是否有標簽粘附在打印頭上? |
如果打印頭上有污垢,請用附帶的打印頭清潔器將污垢清除。如果有標簽粘附在熱敏打印頭上,請將其清除。請勿使用金屬物件來清除粘附在打印機內的標簽(否則會損壞熱敏打印頭) |
是否使用了推薦的色帶或相同類型的色帶? |
使用敏用的色帶或相同類型的色帶 |
熱敏打印頭是否處在所用紙的正確位置? |
用紙厚度調節撥盤調節熱敏打印頭的偏移量 |
打印頭壓力平衡對于所用紙的寬度是否正確? |
用紙寬度調節撥盤調節熱敏打印頭的壓力。 |
打印位置改變 |
紙和色帶設定是否正確? |
正確設定紙和色帶 |
卷軸上是否有污垢?是否變形? |
如果卷軸上有污垢,請用酒精進行清潔,如果變形請將其更換 |
主機發出的數據內容和指令信號是否正確? |
如果顯示出錯訊息,請檢查軟件內容以及電腦主機設定的通信狀態 |
菜單值設定是否正確? |
通過操作面板或電腦主機設定正確的菜單值 |
紙傳感器的敏感度是否適用于所用紙? |
將紙敏感度設定為適當值 |
色帶上出現褶皺 |
色帶張力是否適合所用色帶? |
用色帶張力調節旋鈕調節張力 |
所用色帶左右平衡是否正確? |
用色帶平衡調節旋鈕調節左右平衡 |
打印密度是否過高? |
通過菜單或控制軟件設定適當的打印密度 |
紙和色帶是否為推薦產品或同等產品? |
使用敏用推薦產品或同等產品 |
色帶打滑(色帶上積有污垢) |
色帶張力是否適合所用色帶? |
用色帶張力調節旋鈕調節張力 |
色帶不卷動 |
色帶安裝路徑是否正確/ |
以正確路徑安裝色帶 |
色帶卷動方向是否有反了? |
設定正確的卷動方向 |
標簽
條碼標簽
碳帶
|