|
SATO CL408e
1、SATO CL408e條碼打印機各部位介紹
1.1 碳帶回卷軸/碳帶供給軸/操作面板/打印頭/部件接口/打印輥軸/介質卡位/打印頭開合結構/折疊紙入口/介質供給架
1.2 LCD液晶屏/功能鍵/DIP開關/部件接口/狀態指示燈/電位器/門開關傳感器

CL408e控制面板描述表:
| 部位 |
描述 |
| STATUS指示燈 |
*OFFLINE(非聯機)時不亮,ONLINE(聯機)時為綠色 *打印機接收數據時為綠色閃爍,buffer內存快滿時為綠色閃爍 *打印機出現故障時為紅色閃爍 |
| POWER鍵 |
開機關機 |
| LINE鍵 |
將打印機在“聯機”和“非聯機”狀態之間進行轉換;打印過程中,使打印機暫停某項打印作業 |
| FEED鍵 |
處于“非聯機”狀態時,將送出一張空白標簽;通過菜單選項執行特殊功能 |
| PRINT電位器 |
調整打印濃度 |
| OFFSET電位器 |
調整tear-off/peel/cut模式下出紙的偏移數值 |
| PTICH電位器 |
調整打印停止位置 |
| DSW2-1 DIP開關 |
OFF:熱轉印;ON:熱敏 |
| DSW2-2 DIP開關 |
OFF:傳感器為GAP間隙;ON:傳感器為MARK黑標 |
| DSW2-3 DIP開關 |
OFF:打印頭斷針檢測關;ON:打印頭斷針檢測開 |
| DSW2-4 DIP開關 |
OFF:HEX下載模式關;ON:HEX下載模式開 |
| DSW2-5 DIP開關 |
OFF:單通道接口接收模式;ON:多緩沖接口接收模式/td> |
| DSW2-6 DIP開關 |
OFF:Firmware下載模式關;ON:Firmware下載模式開 |
| DSW2-7 DIP開關 |
OFF:標準控制代碼功能;ON:非標準控制代碼功能 |
| DSW2-8 DIP開關 |
OFF:正常操作模式;ON:M8400信號仿真模式 |
| DSW3-1,DSW3-2 DIP開關 |
OFF,OFF:Continuous連續紙模式;OFF,ON:Tear-Off撕紙模式;ON,OFF:Cutter切刀模式;ON,ON:Dispenser剝離器模式 |
| DSW3-3 DIP開關 |
OFF:標簽傳感器開啟;ON:標簽傳感器關閉 |
| DSW3-4 DIP開關 |
OFF:退紙功能開啟;ON:退紙功能關閉 |
| DSW3-5 DIP開關 |
OFF:打印開始信號失效;ON:打印開始信號使能 |
| DSW3-6,DSW3-7 DIP開關 |
外部信號類型;OFF,OFF:Type4;OFF,ON:Type3;ON,OFF:Type2;ON,ON:Type1 |
| DSW3-8 DIP開關 |
OFF:通過EXT控制重復打印失效;ON:通過EXT控制重復打印使能 |
2、SATO CL408e條碼打印機安裝說明
2.1 標簽或吊牌的安裝
① 向上掀起側蓋,然后通過前門鎖銷打開前門蓋
② 逆時針旋轉打印頭開合機構,打開打印頭機構
③ 把介質卡位向外推,以達到最大介質寬度,然后旋轉下壓
④ 把標簽或吊牌卷放入介質供給架,然后沿著介質路徑裝入標簽或吊牌

⑤ 把介質卡位旋轉復位,然后推到標簽外側(輕靠)
2.2 碳帶的安裝
① 向上掀起側蓋,然后通過前門鎖銷打開前門蓋
② 逆時針旋轉打印頭開合機構,打開打印頭機構
③ 把碳帶卷插入碳帶供應軸內(有碳面朝下),碳帶拉動穿過打印頭機構
④ 將一個空紙軸插入碳帶回卷軸,然后將碳帶用粘帶粘貼到空紙軸上,如圖示旋轉碳帶回卷軸

⑤ 標簽和碳帶安裝完畢后,如圖所示

⑥ 順時針旋轉打印頭開合機構,標簽和碳帶安裝完畢
2.3 打印機操作模式選擇
每次打印前首選需要確認打印機的操作模式
①從標簽的識別來確認,主要有連續紙模式、間隔定位模式、黑標定位模式。
◆連續紙模式:需調調整DSW3-1為OFF,DSW3-2為OFF,DSW3-3為ON
◆間隔定位模式:需調整DSW2-2為OFF,DSW3-1為OFF,DSW3-2為ON,DSW3-3為OFF
◆黑標定位模式:需調整DSW2-2為ON,DSW3-1為OFF,DSW3-2為ON,DSW3-3為OFF
②從標簽的打印方式來確認,主要有熱轉印模式、熱敏模式
◆熱轉印模式:需調調整DSW2-1為OF
◆熱敏模式:需調調整DSW2-1為ON
③ 根據標簽的定位方式來確認標簽傳感器的位置,在制作標簽時需要參考其定位最小尺寸,CL40e標簽傳感器的識別位置如圖所示

2.3 打印機接口選擇
●RS232C高速串口
●IEEE1284并行接口
●USB
●LAN以太網接口
●802.11b無線網絡接口
2、SATO CL408e條碼打印機配置
2.1 打印機配置方式
2.1.1 NORMAL MODE

2.1.2 ADVANCED MODE

2.1.3 SERVICE MODE

2.1.4 CARD MODE

2.1.5 COUNTERS MODE

2.1.6 USER DOWNLOAD MODE(用戶下載模式)

2.1.7 DEFAULT SETTING MODE(恢復出廠默認設置)

2.1.8 MAINTENANCE MODE(維修模式)

2.1.9 TEST PRINT MODE(測試打印模式)

2.2 模式菜單描述
2.2.1 NORMAL MODE菜單描述
設置打印濃度
設置打印速度
設置打印內容偏移,正值(+)設置移動打印邊緣遠離打印頭的位置,負值(-)設置移動打印邊緣移向打印頭的位置
是否清除打印作業內容
2.2.2 ADVANCED MODE菜單描述
調整打印濃度為A/B兩檔
通過Kanji Font打印時,調整數字0的形狀
開機時自動為聯機狀態
V為垂直,正值(+)設置打印開始位置向打印頭的位置移動,負值(-)設置打印開始位置遠離打印頭的位置;H為水平,正值(+)設置打印開始位置向參考位置的左側移動,負值(-)設置打印開始位置向參考位置的右側移動,
忽略CR/LF
FIXED:固定間距,不論字符多大;PROP:間距為一個大小的字符
門開關傳感器是否打開
是否設置實時時鐘
設置實時時鐘內容
2.2.3 SERVICE MODE菜單描述
上邊一行顯示傳感器內僅有襯紙(剝掉面紙)時的電壓值,下邊一行顯示傳感器內有介質(面紙和襯紙)時的電壓值
打印機處于ONLINE狀態時,打印機自動走一張空白標簽,以達到位置準確
打印機故障清除后,打印機自動走一張空白標簽
打印作業結束后,按FEED鍵再可打印出一張最后的標簽
DISTANCE:設置距離;DEFAULT:默認距離
FORWARD/BACKFEED的距離數值設置
MODE1,MODE2
ASCII碼
選擇屏幕語言
COMMAND:計算機上的指令優先;LCD:打印機屏幕設置優先
如果DSW2-5為OFF有效,允許的脈沖寬度
如果DSW2-5為ON有效,忽略CAN/DLE指令
設置回退速度,NORMAL/SLOW
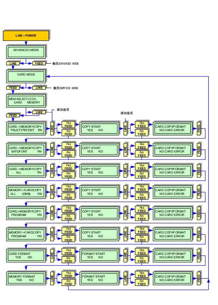
2.2.4 CARD MODE菜單描述
CARD:可選擴展PCMCIA作為CC1,可選擴展ROM作為CC2;MEMORY:可選擴展ROM作為CC1,可選擴展PCMCIA作為CC2
允許從PCMCIA內存卡復制TrueType字體到可選ROM中
允許從PCMCIA內存卡復制SATO字體到可選ROM中
允許從PCMCIA內存卡復制全部內容到內部擴展內存里
允許從內部擴展內存復制全部內容到PCMCIA內存卡里
確認從MEMORY到CARD的復制
確認從CARD到MEMORY的復制
確認清除CARD內容
確認格式化內部內存
確認復制開始
確認格式化
復制/格式化錯誤
2.2.5 COUNTERS MODE菜單描述
選擇需要重設的計數器
現有打印頭打印長度計數,在更換打印頭時該參數被重新置0
剝離器開始使用后的標簽剝離次數
切刀開始使用后的切割標簽的次數
打印機開始使用后的總打印長度
打印頭計數清零,一般在更換新打印頭時清零
剝離器計數清零
切刀計數清零
2.2.6 USER DOWNLOAD MODE菜單描述
按LINE鍵開始用戶下載
等待用戶下載過程
2.2.7 DEFAULT SETTING MODE菜單描述(恢復出廠值)
恢復默認設置確認
恢復默認設置完成
2.2.8 MAINTENANCE MODE菜單描述
提示做一個DSW2-4從ON變為OFF
可以進入兩個清零模式
可以進入所有內容清零模式
選擇COUNTER/EEPROM清零
確認COUNTER清零
確認EEPROM清零
COUNTER清零完畢
EEPROM清零完畢
2.2.9 TEST PRINT MODE菜單描述
CONFIGURATION:列印打印機配置設置;BARCODE:列印打印機內置條形碼;HEAD CHECK:檢測打印頭元件是否損壞;FONT:列印打印機內安裝的所有字體;FACTORY:列印工廠測試頁
設置測試頁的打印寬度
SMALL:4cm;LARGE:10cm
打印過程中按FEED鍵停止打印
3、SATO CL408e條碼打印機故障排除
3.1 LCD錯誤信號故障
解決方法:①正確關閉打印頭開合機構;②更換打印頭開合傳感器
解決方法:①確認介質是否正確安裝;②清潔標簽傳感器的發射和接收表面;③確認正確的傳感器配置
解決方法:①確認碳帶軸正確安裝;②確認碳帶沒有被損壞;③確認打印機配置正確
解決方法:①確認介質是否正確安裝;②清潔標簽傳感器的發射和接收表面;③確認正確的傳感器配置
解決方法:①清潔打印頭表面;②更換新打印頭
3.2 故障列表
3.2.1 打印圖像無效故障
| 可能原因 |
解決方法 |
| 打印頭比較臟 |
清潔打印頭 |
| 打印頭損壞 |
更換新打印頭 |
| 電器元件損壞 |
更換電路板 |
| 打印輥軸損壞或磨損 |
更換打印輥軸 |
| 差的標簽質量 |
更換質量比較好的標簽材料 |
| 碳帶和標簽不匹配 |
更換材料 |
3.2.2 碳帶起皺
| 可能原因 |
解決方法 |
| 打印頭校準比較差 |
對打印頭平衡進行校準 |
| 打印溫度設置太高 |
調節打印頭打印溫度 |
| 碳帶張力比較差 |
調節合適的碳帶張力 |
| 打印輥軸磨損 |
更換打印輥軸 |
| 打印頭或者輥軸上面有異物 |
清潔異物 |
| 標簽紙上有異物 |
使用高質量的標簽紙 |
| 打印頭損壞 |
更換打印頭 |
3.2.3 打印圖像比較淡
| 可能原因 |
解決方法 |
| 低的打印濃度 |
調高打印溫度 |
| 打印頭壓力比較低 |
調節打印頭壓力或平衡 |
| 打印頭上有異物 |
清潔打印頭和輥軸 |
| 不當的打印頭校準 |
對齊打印頭 |
| 打印速度太高 |
降低打印速度 |
3.2.4 打印濃度不均勻
| 可能原因 |
解決方法 |
| 打印頭不平衡 |
調節打印頭平衡 |
| 打印輥軸磨損 |
更換打印輥軸 |
| 打印頭比較臟 |
清潔打印頭 |
3.2.5 標簽走歪
| 可能原因 |
解決方法 |
| 安裝標簽不正確 |
確認標簽正確安裝 |
| 沒有正確調整標簽卡位 |
正確調整卡位 |
| 打印頭不平衡 |
調整打印頭平衡 |
| 輥軸磨損 |
更換輥軸 |
3.2.6 標簽不移動
| 可能原因 |
解決方法 |
| 同步皮帶松動或破損 |
調整或更換同步皮帶 |
| 不正確的標簽傳感器模式選擇 |
檢查打印機配置,調節傳感器模式 |
| 沒有電壓輸出 |
更換保險 |
| 驅動電機不動作 |
確認接線是否正常,必要時更換驅動電機 |
3.2.7 LCD能夠點亮,但無字無顯示
| 可能原因 |
解決方法 |
| 電源供應確認 |
確認線纜連接正確,檢查是否需要更換電源供應 |
| 顯示電位器設置不正確 |
調整顯示電位器的值 |
3.2.8 無法打印圖像
| 可能原因 |
解決方法 |
| 打印頭沒有連接好 |
確認打印頭插線接頭接好 |
| 沒有電壓輸出 |
更換保險絲 |
| 打印頭有缺陷 |
更換打印頭,并重置計數器 |
| 電器元件損壞 |
更換電路板 |
| 打印接口問題 |
更換數據線或接口卡 |
| 數據輸入錯誤 |
確保正確的數據流 |
3.2.9 打印出一張空白標簽
| 可能原因 |
解決方法 |
| 數據輸入錯誤 |
確保正確的數據流 |
| 不正確的標簽傳感器選擇 |
確認正確的打印機配置 |
| 打印頭沒有連接好 |
確認打印頭插線接頭接好 |
| 打印頭有缺陷 |
更換打印頭,并重置計數器 |
| 主電路板缺陷 |
重新更換主電路板 |
3.2.10 標簽位置不正確
| 可能原因 |
解決方法 |
| 不正確的標簽傳感器選擇 |
確認正確的打印機配置 |
| 標簽傳感器調整不當 |
調整傳感器靈敏度 |
| 數據輸入錯誤 |
確保正確的數據流 |
| OFFSET偏移設置不正確 |
調整OFFSET值 |
3.2.11 打印圖像有涂痕
| 可能原因 |
解決方法 |
| 打印介質質量差 |
更換打印質量好的介質 |
| 打印頭和輥軸上有異物 |
清潔打印頭和輥軸 |
| 標簽上有異物 |
使用高質量的標簽 |
| 打印頭溫度太高 |
調節打印濃度設置 |
| 打印速度過高 |
調節打印速度 |
4、SATO CL408e條碼打印機維修
4.1 打印頭更換
①關閉打印機,斷開電源連接
②打開右側蓋,鎖緊打印頭開合機構
③松開打印頭機構上端的螺絲
④打開打印頭開合機構,移出已損壞的打印頭
⑤拔出打印頭上的接口數據線
⑥把接口數據線插入到新的打印頭上
⑦插入打印頭到打印頭機構內,并擰上螺絲
⑧打開電源,重設打印頭計數器,并測試打印
4.2 打印頭平衡調整
打印頭的壓力平衡是輥軸從一端到另一端的壓力均衡水平。如果打印頭平衡不調整,打印的圖像將出現一邊清楚一邊不清楚的情況,并且標簽會朝著壓力小的方向偏移。
打印頭平衡調整只能通過主觀進行調整,通過標簽上面打印字符的清晰度來判斷調整的效果。
為了調整平衡,開始測試打印,略微松開固定螺絲1,稍移動調節板2到右邊或左邊。移動調節板達到好的打印效果后重新擰緊螺絲1時。

4.3 打印頭校準
打印頭位置直接影響打印質量,打印頭必須與打印輥軸并行。
①打開右側蓋

②確認打印頭鎖緊
③向下看打印頭上的定位校準板

④確認校準刻度A和B是相同的
⑤校準時首先要松開固定螺絲
⑥調節好校準板位置后,擰緊固定螺絲
⑦測試標簽,確認打印頭是否校準對齊
⑧重復調整,直到校準正確
4.4 碳帶導向片校準
如果打印碳帶出現褶皺導致打印無效的情況,可以通過調節碳帶導向片的偏差角度來補償碳帶的褶皺。
①打印測試頁,確認打印頭的平衡和校準時正常的
②打開右側蓋,打開打印頭開合機構

③松開固定螺絲中的一個,然后根據需要上下移動碳帶導向片,直到碳帶不褶皺
④保持碳帶導向片的位置,然后擰緊固定螺絲
⑤閉上打印頭,打印測試頁
⑥重復步驟2-5,直到調節達到理想的效果
4.5 標簽傳感器位置調節
調節標簽傳感器的位置以達到不同介質的定位。
①打開右側蓋
②綠色的標簽傳感器調節鈕位于打印機的后部

③左右調節標簽傳感器調節鈕直到正確的位置
4.6 碳帶軸張力調節
打印機有兩個碳帶軸,一個是供應軸,一個是回卷軸,回卷軸由電機驅動。
正常情況下,供應軸要求有400-500克的力,回卷軸要求有500-700克得力。
沒有拉力計的情況下通過下述方法調整碳帶張力:
①打開右側蓋
②松開碳帶軸固定螺絲,調節螺母
③旋動螺母,調節Ribbon Boss與Collar之間的距離(供應軸張力:3.5-3.0mm;回卷軸張力:3.0-2.0mm)
注:1mm≈100g,0.5mm≈50g

④保持螺母,并擰緊固定螺絲
標簽
條碼標簽
碳帶
|