|
Citizen CLP621
1、Citizen CLP621條碼打印機各部位介紹
1.1 色帶卷向選擇開關/色帶驅動單元/打印頭關閉按鈕/色帶固定件/前蓋板

①色帶卷向選擇開關
CLP621支持內外碳打印,此開關用于在內卷色帶和外卷色帶之間進行選擇,切記:著墨的一面不可直對打印頭表面。
②色帶驅動單元
③打印頭關閉按鈕
按打印頭關閉按鈕可將機構鎖定關閉,如果按機構的其他部分,打印機會無法正確鎖定關閉。
④色帶固定件
用于安裝色帶和紙芯。
⑤前蓋板
將其拆下便可安裝選購件,例如剝離器和切刀。
1.2 前色帶張力調節旋鈕/前色帶左右平衡調節旋鈕/紙寬度調節撥盤/后色帶張力調節旋鈕/后色帶左右平衡調節旋鈕/紙厚度調節撥盤/大藍頭開桿

①前(卷動側)色帶張力調節旋鈕
根據使用的色帶寬度對其進行調節,色帶打皺或打滑時也可以使用此旋鈕
②前(卷動側)色帶左右平衡調節旋鈕
色帶起皺時可使用此旋鈕進行調節。通常置于中間位置
③紙寬度調節撥盤
調節撥盤以吻合紙的寬度
④后(送紙側)色帶張力調節旋鈕
根據使用的色帶的寬度對其進行調節,使用方法大致與前調節旋鈕的方法相同
⑤后(送紙側)色帶左右平衡調節旋鈕
色帶起皺時可使用此旋鈕進行調節,通常置于中間位置
⑥紙厚度調節撥盤
調節撥盤以吻合紙的厚度
⑦大藍頭開桿
推此桿可抬起藍頭單元以安裝紙,在打印期間,其可鎖定藍頭單元
1.3 熱敏打印頭/傳感器臂/上傳感器/下傳感器/左固定紙導板/右可移動紙導板/卷軸/選購件連接器蓋/紙固定導板/紙固定條

①熱敏打印頭
打印頭,避免用手觸摸打印頭以及在打印頭表面上留下油脂或污垢
②傳感器臂
抬起此臂可安裝紙,放下此臂便可將紙固定到位
③-1上傳感器;③-2下傳感器
當作為透過傳感器(用于帶齒的標簽和吊牌)使用時,將上傳感器和下傳感器的傳感器標記吻合以進行使用。當作為反射傳感器使用時,將下傳感器上的傳感器標記與襯紙或紙襯背上的黑色標記的位置吻合以進行使用。
④-1左固定紙導板;④-2右可移動紙導板
紙端部與左固定紙導板吻合,然后水平移動右側可移動紙導板,以吻合紙的尺寸,而使用透過傳感器時,可移動紙導板則用于引導上傳感器與下傳感器吻合。
⑤卷軸
與熱敏打印頭互鎖,其向后或向前輸送紙
⑥選購件連接器蓋
連接切刀單元和剝離器單元的電纜時將其打開,正常使用時請勿將其拆下
⑦紙固定導板
水平移動此導板以吻合紙的尺寸,導板可從固定條上滑下
⑧紙固定條
紙在安裝進打印機中后由紙固定條支撐
1.4 電源指示燈/印刷指示燈/設定指示燈/錯誤指示燈/暫停鍵/送紙鍵/取消鍵/設定再印刷鍵

①電源指示燈
打印機電源接通時此燈亮起(綠色)
②印刷指示燈
打印機能夠進行打印時此燈亮起(綠色)
③設定指示燈
選擇設定時此燈亮起(橙色)
④錯誤指示燈
打印機處于警告或故障狀態時此燈會亮起閃爍(紅色)
⑤暫停鍵
按此鍵可暫停打印
⑥送紙鍵
按此鍵可將紙輸送到下一個標簽或表格的頂部
⑦取消鍵
按此鍵可停止打印或取消警告
⑧設定/再印刷鍵
按此鍵可退出菜單設定模式下的當天狀態或重新打印最后一張標簽,具體情況取決于打印機的狀態
1.5 串行接口/并行接口/USB接口/電源開關/電源線插口

①串行接口
此接口從電腦主機接收串行傳送的數據
②印刷指示燈
此接口從電腦主機接收并行傳送的數據
③USB接口
此接口從電腦主機接收USB傳送的數據
④電源開關
這是打印機的電源開關
⑤電源線插口
封裝電源線的連接器連接至此
2、Citizen CLP621條碼打印機操作
2.1 常規操作模式
2.1.1 當電源接通時,打印機進入常規操作模式,控制鍵可激活以下功能:
①暫停鍵:暫停打印
●按此鍵一次,印刷指示燈熄滅,同時打印機暫停打印。
●如果在打印期間按此鍵,打印機會在打印完當前打印的標簽后暫停,再按此鍵一次,打印機重新開始打印,將剩余的指定標簽打印完。
②送紙鍵:輸送紙
●按此鍵可將紙輸送至打印開始位置。使用標簽紙時,通過自動檢測紙的前端來決定送紙的距離,而當已指定好連續的紙時,則會輸送固定量的紙,然后輸送便停止。
●當撕離設定生效時,送紙會在紙已被輸送至撕紙位置之后停止。
●當安裝了選購切刀單元的情況下,紙會被輸送到切割位置,然后進行切割。不管設定菜單中是否有切紙操作設定,只要安裝了切紙單元,每次輸送紙時就會切割紙。
●如果安裝了選購的剝紙單元,紙便會被輸送至剝紙位置,當紙在剝離位置暫停時,即使按送紙鍵也無法進行送紙。
③取消鍵:此鍵可停止打印或取消警告
在打印期間按此鍵一次,打印機在打印完標簽后便會處于暫停模式下,在暫停狀態下按取消鍵4秒或更長時間有可能可以取消一片的標簽打印數據。(取消期間印刷指示燈會高速閃爍。)
④設定/再印刷鍵
在印刷狀態下(當印刷指示燈亮起時)按此鍵可重新打印最后一張標簽。打印的最后一張標簽取決于“設定/再印刷鍵”菜單的選擇。
2.1.2 指示燈功能
①電源指示燈
打印機電源接通時此燈亮起(綠色)
②印刷指示燈
打印機能夠進行打印時此燈亮起。(綠色)
③設定指示燈
選擇設定時此燈亮起。(橙色)
④錯誤指示燈
打印機處于故障狀態時此燈會亮起或閃爍。(紅色)
2.1.3 警告和故障指示表
除常規操作模式之外,當檢測到打印機中有異常情況時,警告會鳴響并且各指示燈會亮起或閃爍,以指示故障的類型。
| 項目 |
印刷指示燈 |
設定指示燈 |
錯誤指示燈 |
| 當按下取消鍵時 |
OFF |
OFF |
OFF |
| 打印頭溫度異常 |
緩慢閃爍,亮滅 |
緩慢閃爍,亮滅 |
OFF |
| 電動機溫度異常 |
緩慢閃爍,亮滅 |
緩慢閃爍,滅亮 |
OFF |
| 打印頭打開 |
OFF |
OFF |
快速閃爍 |
| 紙用完 |
OFF |
OFF |
緩慢閃爍,亮滅 |
| 紙脫出(無法檢測到紙的位置) |
OFF |
緩慢閃爍,亮滅 |
緩慢閃爍,亮滅 |
| 打印頭電阻異常 |
OFF |
緩慢閃爍,亮滅 |
緩慢閃爍,滅亮 |
| 色帶傳送故障 |
OFF |
快速閃爍 |
快速閃爍 |
色帶用完 |
OFF |
快速閃爍 |
快速閃爍 |
| 通信故障(接收緩沖區溢出) |
OFF |
緩慢閃爍,亮滅 |
OFF |
| 通信故障(奇偶校驗、成幀) |
| 通信故障(傳送緩沖區溢滿) |
| 自動切刀異常 |
OFF |
OFF |
ON |
| 自動切刀溫度異常 |
緩慢閃爍,亮滅 |
緩慢閃爍,滅亮 |
OFF |
2.2 設定紙
2.2.1 紙尺寸
透明傳感器或發射傳感器可以感受到標簽和吊牌紙的位置。
透過傳感器:檢測標簽紙與吊牌紙的齒之間的間隙。
反射傳感器:檢測黑色標記。

| |
|
最小值 |
最大值 |
| A |
標簽寬度 |
19.5mm |
118mm |
| B |
襯紙寬度 |
19.5mm |
118mm |
| C |
標簽左邊緣位置 |
0mm |
2.54mm |
| D |
標簽之間間隙的長度 |
2.54mm |
812.8mm |
| E |
標簽長度 |
6.4mm |
812.8mm |
| F |
標簽間距 |
6.4mm |
812.8mm |
| G |
襯紙厚度 |
0.06mm |
0.125mm |
| H |
總紙厚度 |
0.06mm |
0.25mm |
| I |
齒右邊緣的位置 |
3.6mm |
60.8mm |
| J |
齒左邊緣的位置 |
0mm |
57.2mm |
| K |
齒的長度 |
2.54mm |
17.8mm |
| L |
黑色標記的右邊緣 |
15mm |
66.5mm |
| M |
黑色標記的左邊緣 |
0mm |
51.5mm |
| N |
黑色標記的寬度 |
3.18mm |
17.8mm |
如果標簽間距小于或等于25.4mm,請將Small Media Adjustment(小紙調節菜單)設為開,然后將其與使用小紙長度菜單的值的標簽吻合。
2.2.2 安裝紙
①推大藍頭開桿松開藍頭單元,然后如下圖所示用手抬起傳感器臂。

②首先,一并滑動紙固定件總成的兩個黑色塑料零件,因為固定條只可朝一個方向安裝,因此請確保導板與固定條正確對齊。
③在紙條上滑動紙卷,紙導板必須位于紙卷的右側(從打印機的正面看),使紙導板的平坦表面接觸紙卷。
④將紙卷和紙固定件裝入打印機中,建議向前拉出一段紙并穿過機構,以備以后進行定位。
⑤移動紙卷使其接觸外殼的左側,然后滑動黑色紙導板,使其與紙右側接觸。請勿用這些導板將紙夾得太緊,否則會導致打印期間打印機卡紙。
⑥設定傳感器位置。
使用透過傳感器時
將下傳感器移至紙寬度的中心附件,然后使用可移動導紙板將上傳感器標記號和下傳感器標記號(白色)對齊。
當使用4英寸寬的紙時,請將上傳感器和下傳感器全部靠右(大藍頭開桿一側)定位。

使用反射傳感器時
調節傳感器的位置,使下傳感器的反射傳感器標記號對準紙黑色標記的中心。

⑦將紙與左固定紙導板(2個位置)對齊,將右可移動導板與紙的寬對齊,然后放下傳感器臂。

⑧按藍頭關閉按鈕以降低并鎖定藍頭單元,請務必始終通過按藍頭關閉按鈕鎖定藍頭單元,將其與已放置的紙的寬對齊,然后再設定紙寬度和紙厚度調節撥盤。
⑨在電源打開的情況下,按送紙鍵輸送紙。其將在下個打印開始位置停止。
2.3 設定色帶
可使用以下種類和尺寸的色帶。
類型---------------------------------內卷色帶或外卷色帶
推薦色帶-----------------------------US150 聯合出品
色帶最大寬度-------------------------114mm
色帶最小寬度-------------------------25.4mm
色帶最大長度-------------------------360mm
卷筒最大直徑-------------------------74mm
紙芯內卷-----------------------------25.4mm
2.3.1 設定方法
①檢查所使用的色帶種類,然后設定色帶卷向選擇開關
②將色帶和紙芯分別置于兩個色帶固定件上,將兩個色帶固定件分別插入色帶和紙芯中時,請確保將其推到底。
③將新的色帶以及固定件裝入后色帶驅動單元。使色帶驅動齒輪結構上的花鍵與色帶固定件上的尾端吻合。
④推動大藍頭開桿松開藍頭單元,從藍頭單元底部拉出色帶至色帶卷動側。
⑤使用膠帶將拉出的色帶粘于已安裝有紙芯的色帶固定件上,然后將色帶纏繞在色帶固定件上。
⑥將已安裝好紙芯的色帶固定件安裝進色帶驅動單元,然后按箭頭所示方向轉動色帶固定件以張緊色帶及消除褶皺。
⑦按藍頭關閉按鈕以降低并鎖定藍頭單元,請務必始終通過按藍頭關閉按鈕鎖定藍頭單元。如果色帶上有褶皺,請按送紙鍵直到褶皺消失,如果褶皺不消失或者色帶打滑,請進行色帶平衡調節和色帶張力調節。
2.4 模式設定
結合不同的按鍵打開電源可啟動不同的功能
2.4.1 十六進制打印模式
①使用標簽紙時
按住取消鍵的同時打開打印機電源,當印刷指示燈開始慢速閃爍時松開取消鍵,隨后打印機進入十六進制打印模式。
②使用連續紙時
按住取消鍵的同時打開打印機電源,當印刷指示燈停止慢速閃爍并開始快速閃爍時松開取消鍵,隨后打印機進入十六進制打印模式。
2.4.2 自打印模式
進行自測打印是檢查打印機設定狀態和打印質量的便利方法。
①標簽紙的情況
按住送紙鍵的同時打開打印機電源,當印刷指示燈開始慢速閃爍時松開送紙鍵,在打印機進入測試模式并且已輸送完紙后,會打印出兩張標簽,隨后打印停止。要重新開始打印,再按一次送紙鍵即可。
②連續紙的情況
按住送紙鍵的同時打開打印機電源,當印刷指示燈停止慢速閃爍并開始快速閃爍時,松開送紙鍵,在打印機進入測試模式之后,會進行打印,隨后打印停止。要重新開始打印,再按一次送紙鍵即可。

2.4.2 菜單設定模式
如果在按住設定/再印刷鍵的同時打開打印機電源,打印機會進入菜單設定模式,在該模式下,使用VuePrint菜單系統可以改變打印機配置,當處于菜單設定模式下時,印刷指示燈和設定指示燈亮起,要使用VuePrint菜單系統,打印機內必須安裝有紙。

2.4.2.1 各鍵的功能
在各菜單項都被打印出來之后,打印機此時也會打印各按鈕的功能,各按鈕視所選菜單而稍有不同,但大致符合以下規則:
●暫停鍵(是/選擇/保存)
按此鈕會選擇當前的菜單選項,或者保存新的設定,之后再跳至下一個菜單。
●取消鍵(否/下一項/改變值)
在改變菜單值(例如打印頭溫度)時按此鍵會顯示下一可用菜單值但不會保存設定。在“主菜單”中,按此鍵可移至下一可用菜單。
●送紙鍵(下位)
對于諸如打印頭溫度的某些菜單選項,有不止一“位”數可以改變,此鍵可將光標移至下位數。
●設定/再印刷鍵(返回上一級菜單)
退出當前菜單或VuePrint菜單系統。
小心:如果在改變菜單值的時候按“暫停”鍵(是)會導致打印機保存當前選擇的參數,設定指示燈短暫閃爍,此時請勿關閉打印機電源,否則會導致故障。如果意外關閉電源,請先將打印機重設為出廠默認設定。
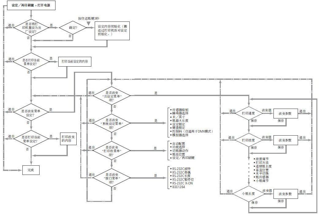
2.4.2.2 菜單設定流程圖
以下流程圖顯示的是CLP621 VuePrint菜單系統

2.4.2.3 菜單設置表
頁設定菜單——讓您能改變與紙或打印質量有關的設定
系統設定菜單——讓您能改變打印機硬件和基本控制系統的設定
印刷后菜單——改變打印完標簽后打印機的反應
接口菜單——改變諸如波特率的接口參數
| 頂層菜單 |
子菜單 |
默認 |
選項 |
備注 |
| Page Setup(頁設定) |
Print Speed(打印速度) |
4IPS |
2 to 4 IPS |
打印速度設定 |
| Print Darkness |
10 |
00 to 30 |
打印濃度設定(打印頭溫度) |
| Darkness adjust(濃度調節) |
0 |
-10 to 10 |
濃度指令調節 |
| Print method(打印方法) |
Thermal transfer |
Thermal transfer,Direct thermal |
選擇熱轉印/熱敏 |
| Continuous Media Length(連續紙長度) |
101.6mm |
6.4mm to 812.8mm |
如果選擇此項,則可設定連續紙的默認長度,下面一行的數字采用米制單位 |
| Vertical Position(垂直位置) |
0mm |
-25.4mm to 25.4mm |
打印開始位置調節 |
| Horizontal Shift(水平切換) |
0mm |
-25.4mm to 25.4mm |
水平打印位置調節 |
| Media Sensor(紙傳感器) |
See Through |
See Through,Reflect,None |
標簽傳感器選擇 |
| Small Media Adjustment(小紙調節) |
OFF |
ON,OFF |
小標簽設定 |
| Small Media Length(小紙長度) |
25.4mm |
6.4mm to 25.4mm |
設定標簽紙的長度 |
| System Setup(系統設定) |
Sensor Level(傳感器級別) |
1.5V |
0V to 3.3V |
設定傳感器的臨界值 |
| Buzzer Select(蜂鳴器選擇) |
ON |
ON,OFF |
設定蜂鳴器鳴響的條件 |
| Metric/inch(米/英寸) |
inch |
inch,mm |
設定所使用的單元 |
| Max Media Length(紙最大長度) |
254mm |
254mm to 1270mm |
設定標簽最大長度 |
| Settings Lock(設定鎖定) |
off |
on/off |
當開時,能防止軟件指令改變VuePrint菜單設定的值 |
| Keyboard Lock(鍵盤鎖定) |
off |
on/off |
防止控制面板影響打印機配置(用戶鎖定) |
| Control Code(控制碼) |
STD |
STD/ALT |
在標準STX控制碼或“選擇性”編碼之間進行選擇。有時候也稱作"AS400"模式 |
| Emulation Select(模擬器選擇) |
DM4 |
DM1,DM4,DPP |
Datamax兼容性選擇 |
| After Print(打印后) |
AutoConfigure(自動配置) |
on |
on/off |
選擇性自動配置,開:自動配置生效;關:自動配置無效 |
| Function Select(功能選擇) |
Tear |
off,Tear,peel on,cut on |
選擇安裝的選項的類型并相應地調節“紙張停止”位置 |
| Cutter Action(切刀動作) |
Backfeed |
Backfeed,Through |
切刀操作方法設定,標簽回撤:每次切割操作完成之后將標簽送回;切透:如果份數等于n,則第1張至第n-1張的后端會通過,而最后一頁(單張紙)的后端則被打印并回撤 |
| Paper Position(紙張位置) |
0mm |
Peel/cut/Tear off:0mm-50.8mm;Peel/cut/tear on:-25.4mm-25.4mm |
使用此菜單設定可精細調節停止位置。一般的停止位置是根據以上選中的功能進行選擇 |
| Mode/Repeat Key(設定/再印刷鍵) |
Disabled |
LabelSet,Last One,Disabled |
重復方法選擇,標簽組:重新發放多個標簽;最后一張:只發放最后一張,在計數情況下,繼續打印的同時只發放一張標簽;停用:使重復鍵無效 |
| Interfaces(接口) |
RS-232 Baud(波特率) |
9600 |
115200/57600/38400/19200/9600/4800/2400 |
設置串行接口的波特率 |
| RS-232C Parity(奇偶校驗) |
None |
None,ODD,Even |
設置串行接口的通信奇偶校驗 |
| RS-232C Length(數據長度) |
8 |
7/8 |
設置串行接口的字符長度 |
| RS-232C Stop bit(暫停位) |
1 |
1/2 |
設置串行接口的停止位 |
| RS-232C X-ON |
Yes |
Yes,No |
選擇串行接口的X-ON流控制 |
| IEEE1284 |
ON |
ON,OFF |
啟用或停用IEEE1284并行接口的“增強”功能 |
2.4.3 設定打印方法
除了使用菜單設定模式,還可用操作面板設定打印方法(熱轉印/熱敏)。
小心:在改變設定之前,請務必關閉打印操作,您無法在打印期間(包括暫停期間)改變設定。
按住設定/再印刷鍵的同時每按一次暫停鍵,蜂鳴器會鳴響,并且打印機會在熱轉印方法和熱敏方法之間切換。
3、Citizen CLP621條碼打印機調節
3.1 傳感器調節
透過傳感器和反射傳感器的傳感級別都是分別單獨進行調節的,首選,請使用以下所示的VuePrint菜單系統或傳感器方法選擇來選擇傳感器類型。然后可以對傳感器進行調節和校準。
3.1.1 進入傳感器調節模式
①在同時按住暫停鍵、送紙鍵和取消鍵的情況下,再打開電源。
②在印刷指示燈和設定指示燈亮起之后,松開各鍵將打印機模式改為傳感器調節設定模式。
③要從透過傳感器切換到反射傳感器,請確保設定指示燈亮起,然后在按住設定/再印刷鍵的同時按取消鍵,每按一次取消鍵,便可在兩種傳感器類型之間來回切換。
如果選擇的是透過傳感器,印刷指示燈會亮起,并且蜂鳴器會鳴響一次,如果選擇的是反射傳感器,印刷燈會慢速閃爍,并且蜂鳴器會鳴響兩次。
3.1.2 調節透過傳感器
①推動大藍頭開桿以打開藍頭單元和傳感器臂,然后僅將傳感器返回原位,使用可移動紙導板對齊上傳感器標記號和下傳感器標記號(白色)
②選擇透過傳感器,然后打開傳感器臂
③僅安裝標簽紙已剝除的襯墊紙(標簽襯紙),使其能從卷軸和紙傳感器之間通過。(小心帶黑色標記的紙無法從紙傳感器之間通過),然后關閉傳感器臂和打印頭。

④如果在按住設定/再印刷鍵時按下或松開暫停鍵,印刷指示燈會熄滅,在設定指示燈從亮起變為快速閃爍之后,便開始紙輸送,并且自動調節傳感器。
⑤如果自動調節正常停止,印刷指示燈和設定指示燈會返回原始狀態。如果其異常停止(無法進行調節),設定指示燈和錯誤指示燈會閃爍。
⑥如果按取消鍵,便會退出傳感器調節模式
3.1.3 調節反射傳感器
①推動大藍頭開桿以打開藍頭單元和傳感器臂,然后將下傳感器標記號的位置與紙上黑色標記號的中央對準
②選擇反射傳感器
③在選擇反射傳感器的情況下,將標簽紙安裝在卷軸和紙傳感器之間,(小心黑色標記和紙間隙無法從紙傳感器之間通過)然后關閉傳感器臂和打印頭。

④如果在按住設定/再印刷鍵時按下或松開暫停鍵,印刷指示燈會熄滅,在設定指示燈從亮起變為快速閃爍之后,便開始紙輸送,并且自動調節傳感器。
⑤如果自動調節正常停止,印刷指示燈和設定指示燈會返回原始狀態。如果其異常停止(無法進行調節),設定指示燈和錯誤指示燈會閃爍。
⑥如果按取消鍵,便會退出傳感器調節模式
3.1.4 紙厚度調節
根據所使用紙的厚度,可能有必要調節打印機,通過轉動紙調節撥盤改善打印質量便可輕松實現。
使用標準標簽紙、高品質紙或熱敏紙時,在進行測試打印時,將撥盤從最小數字逐格調至最大數字以進行調節。
使用較厚紙時(在進行測試打印時,),在進行測試打印時,將撥盤從最小數字逐格調至最大數字以進行調節。
| 紙厚度撥盤位置 |
推薦紙類型 |
| 0 |
熱敏紙(薄紙) |
| 1 |
標準標簽紙、熱敏紙 |
| 3-5 |
較厚的襯紙標簽 |
| 6-9 |
卡、吊牌、較厚的紙張 |
●使用的實際紙必須符合正確的紙厚度調節位置。
●出廠時撥盤置于1位置。
●偏移調節因紙的厚度和硬度而異。
3.1.5 紙厚度調節
打印頭壓力因所打印紙的寬度而異,必須根據紙寬度調節打印頭壓力平衡,以對打印頭施加恒定的壓力。轉動紙寬度調節撥盤便可輕松進行調節。
如果打印模糊或者一面上的打印較淡,或者紙曲折移動,請調節打印頭壓力平衡。
在完成調節之后,請進行測試打印以確認輸出質量。
小心:使用較窄的紙時,請務必進行調節。(否則打印頭會因卡紙等原因而損壞。)
| 撥盤位置 |
紙寬度mm |
打印頭壓力 |
| 0 |
19.5至23mm |
低
↓ 高 |
| 1 |
23至30mm |
| 2 |
30至39mm |
| 3 |
39至49mm |
| 4 |
49至62mm |
| 5 |
62至76mm |
| 6 |
76至88mm |
| 7 |
88至99mm |
| 8 |
99至108mm |
| 9 |
108至118mm |
3.1.6 調節色帶
使用較窄色帶或極為特殊的熱敏色帶材料時,可能有必要調節色帶張力進行色帶平衡調節,以免色帶出現褶皺或打滑。

①色帶張力調節
色帶張力在送紙側(背面)和卷動側(正面)均有三個調節位置。

先進行測試打印,然后視需要調節打印機:
●色帶打滑會導致紙上出現一層臟膜。減少張力調節器。
●色帶褶皺(打印輸出上有對角線):增加色帶張力。
在進行任何調節之后,請再進行一次或兩次測試打印,以確定色帶送紙正確。
②色帶平衡調節
通過轉動前、后平衡調節旋鈕進行此調節。如果色彩上出現褶皺,請按以下步驟進行調節,刻度通常與中央對齊。
調節步驟:
Ⅰ.檢查供應側色帶和后平衡調節旋鈕以確定那一側的色帶松動。

Ⅱ.調節旋鈕對面側的色帶松動 向右轉動前調節旋鈕以消除松動,然后進行測試打印以確保色帶沒有褶皺。
如果色帶有褶皺,請向右轉動后調節旋鈕,并再次進行測試打印,然后進行檢查以確定色帶沒有褶皺。
Ⅲ.調節旋鈕側的色帶松動
向左轉動前調節旋鈕以消除松動,然后進行測試打印以確保色帶沒有褶皺。
如果色帶有褶皺,請向左轉動后調節旋鈕,并再次進行測試打印,然后進行檢查以確定色帶沒有褶皺。

3.1.7 打印機清潔
用隨機附帶的打印頭清潔筆(打印頭清潔器)清除打印頭上積聚的任何異物,例如紙灰塵、污垢和黏性物質,然后再使用蘸取酒精的軟布擦拭卷軸等。
長期在熱敏紙上進行打印之后,熱敏打印頭的清潔工作尤為重要,這樣能保證打印質量并能延長熱敏打印頭的使用壽命。
4、Citizen CLP621條碼打印機故障排除
如果打印機在操作期間出現故障,請參考下表中的解決方法。如果這樣還是無法解決問題,請向敏用數碼進行咨詢。
| 指示 |
檢查 |
解決方法 |
| 接通打印機電源后指示燈不亮 |
電源線插頭是否正確插入電源插座中? |
將電源線插頭正確插入電源插座中 |
| 電源線的連接器是否正確插入打印機電源插口中? |
將電源線的連接器正確插入打印機電源插口中 |
| 電源線是否損壞? |
更換電源線 |
| 打印機所連接的插座是否已通電? |
檢查以確定插座已通電。 |
| 大樓保險絲盒中的總保險絲是否燒壞? |
如果必要,請更換大樓保險絲盒中的總保險絲 |
| 雖然進行送紙,但卻沒有打印內容 |
熱敏打印頭是否有污垢?是否有標簽粘附在打印頭上? |
如果打印頭上有污垢,請用附帶的打印頭清潔器將污垢清除。如果有標簽粘附在熱敏打印頭上,請將其清除。請勿使用金屬物件來清除粘附在打印機內的標簽(否則會損壞熱敏打印頭) |
| 是否使用了推薦的色帶或相同類型的色帶? |
使用敏用推薦的色帶或相同類型的色帶 |
| 打印機打印不整潔 |
紙和色帶設定是否正確? |
正確設定紙和色帶 |
| 打印密度是否過高或過低? |
透過菜單或控制軟件設定適當的打印密度 |
| 卷軸上是否有污垢?是否變形? |
如果卷軸上有污垢,請用酒精進行清潔,如果變形,請將其更換 |
| 熱敏打印頭是否有污垢?是否有標簽粘附在打印頭上? |
如果打印頭上有污垢,請用附帶的打印頭清潔器將污垢清除。如果有標簽粘附在熱敏打印頭上,請將其清除。請勿使用金屬物件來清除粘附在打印機內的標簽(否則會損壞熱敏打印頭) |
| 是否使用了推薦的色帶或相同類型的色帶? |
使用敏用的色帶或相同類型的色帶 |
| 熱敏打印頭是否處在所用紙的正確位置? |
用紙厚度調節撥盤調節熱敏打印頭的偏移量 |
| 打印頭壓力平衡對于所用紙的寬度是否正確? |
用紙寬度調節撥盤調節熱敏打印頭的壓力。 |
| 打印位置改變 |
紙和色帶設定是否正確? |
正確設定紙和色帶 |
| 卷軸上是否有污垢?是否變形? |
如果卷軸上有污垢,請用酒精進行清潔,如果變形請將其更換 |
| 主機發出的數據內容和指令信號是否正確? |
如果顯示出錯訊息,請檢查軟件內容以及電腦主機設定的通信狀態 |
| 菜單值設定是否正確? |
通過操作面板或電腦主機設定正確的菜單值 |
| 紙傳感器的敏感度是否適用于所用紙? |
將紙敏感度設定為適當值 |
| 色帶上出現褶皺 |
色帶張力是否適合所用色帶? |
用色帶張力調節旋鈕調節張力 |
| 所用色帶左右平衡是否正確? |
用色帶平衡調節旋鈕調節左右平衡 |
| 打印密度是否過高? |
通過菜單或控制軟件設定適當的打印密度 |
| 紙和色帶是否為推薦產品或同等產品? |
使用敏用推薦產品或同等產品 |
| 色帶打滑(色帶上積有污垢) |
色帶張力是否適合所用色帶? |
用色帶張力調節旋鈕調節張力 |
| 色帶不卷動 |
色帶安裝路徑是否正確/ |
以正確路徑安裝色帶 |
| 色帶卷動方向是否有反了? |
設定正確的卷動方向 |
標簽
條碼標簽
碳帶
|